0
Košík je prázdný
Infolinka:
+420 734 310 460E-mail:
info@t-cz.com- Kategorie
- Výrobci
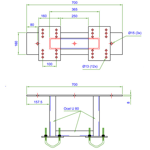
Držák příhradového st. 365x365x365 vrchní část - žár + 8x třmen k vinklu
Výrobce
TOMI CZECH s.r.o. výroba
Kód
3022803
Dostupnost
Dostupnost na pobočkách
Vaše cena bez DPH
3 796 Kč
DPH
21%
Doporučená cena
4 898 Kč
Vaše cena s DPH
4 593 Kč
Záruka
24 Měsíce
Objednat
Poslat info
Dotaz k tomuto produktu
Nalezli jste jinde na internetu nižší cenu?
Zaslat informaci o produktu známému
Nalezli jste chybu?
Diskuse (0)
Související dokumenty
Technický výkres
3022803.pdf
Související produkty
Příhradový stožár o výšce 2 metry s roztečí 365 mm pro samostatné použití nebo pro sestavení různých výšek stožárových konstrukcí na sebe a to dle typu ukotvení a pevnostních šroubů s maticemi.
4 658 Kč
bez DPH
5 637 Kč
s DPH

Podrobnosti o produktu
- odsazení příhr. stožáru od zdi 300 mm
- hmotnost 25 kg
Povrchově upraveno žárovým zinkem.
K tomuto výrobku bude v případě přepravy účtováno dopravné dle ceníku GEIS, bez ohledu na výši objednávky.
Produkt manažer:
Bc. Adam Sehnálek, +420733736933, adam.sehnalek@t-cz.com